Ta strona wykorzystuje pliki cookies

Ta strona wykorzystuje pliki cookies, które wspierają jej funkcjonalność oraz służą do monitorowania sposobu, w jaki korzystasz z naszej witryny internetowej. Aby zapewnić Ci najlepsze doświadczenie użytkownika, prosimy o włączenie określonych plików cookie w ustawieniach i kliknięcie "Akceptuj"

Niezbędne
Funkcjonalne
Statystyczne
Marketing

Pliki cookie to małe pliki tekstowe przechowywane na Twoim komputerze przez strony internetowe, które przeglądasz. Strony internetowe korzystają z plików cookie w celu ułatwienia użytkownikom sprawnej nawigacji i wykonywania określonych funkcji. Pliki cookie, które są niezbędne do prawidłowego funkcjonowania strony internetowej, nie wymagają Twojej zgody. Wszystkie inne pliki cookie wymagają zgody przed ustawieniem ich obsługi w przeglądarce. Możesz w każdej chwili zmienić decyzję na temat korzystania z plików cookie na naszej stronie dotyczącej polityki prywatności.

Wybierz markę
Skorzystaj z naszej wyszukiwarki oryginalnych części Yamaha, w kilka minut odnajdziesz potrzebne części i ceny, spróbuj i przekonaj się sam.

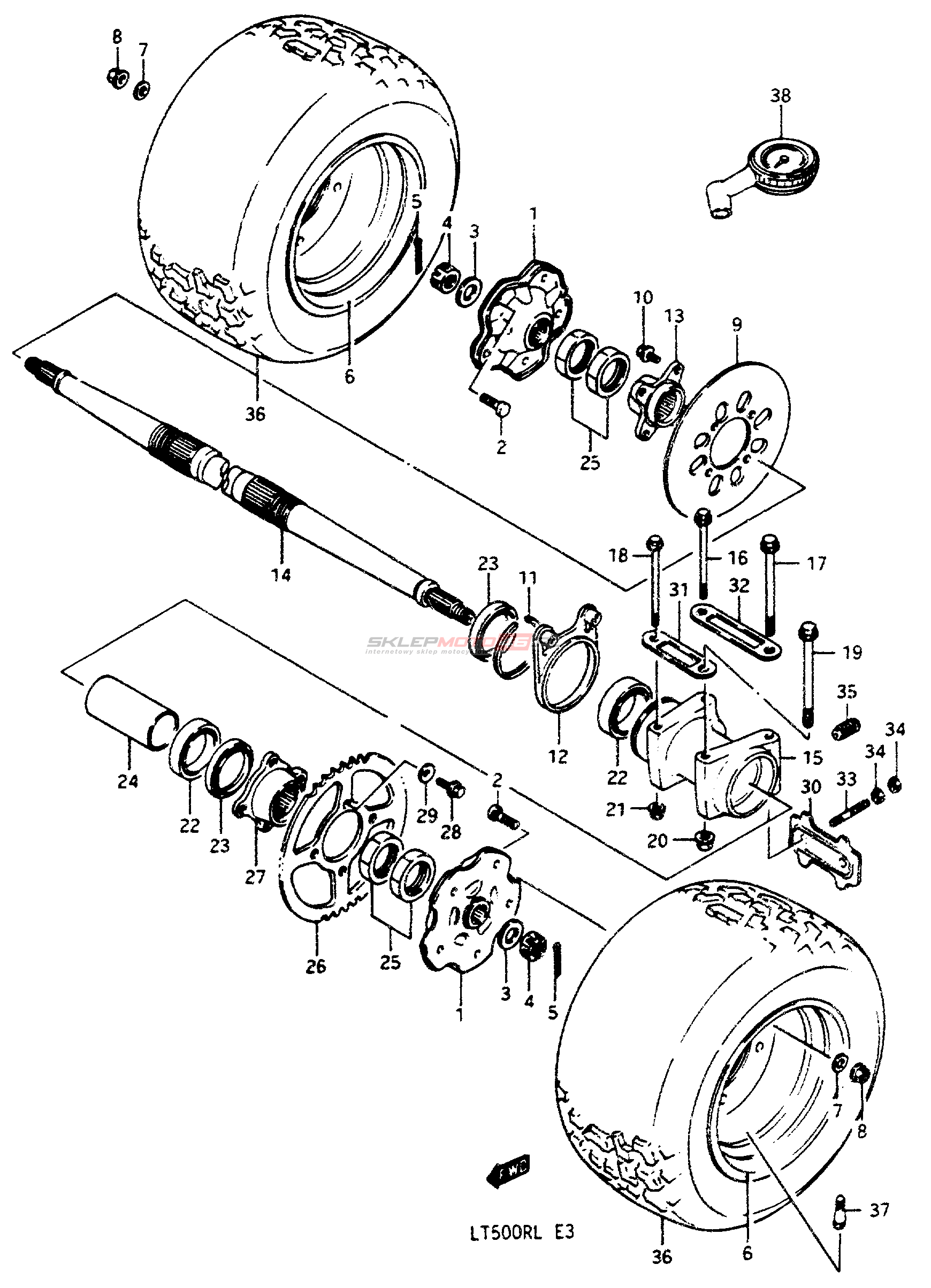
Wyszukiwarka części Suzuki LT500R L Suspension /​ Wheel /​ Brakes

Wszystkie części widoczne na fiszkach to oryginalne części OEM Suzuki.
Możesz złożyć zamówienie telefonicznie, dzwoniąc pod numer +48 512-024-444, lub poprzez nasz sklep internetowy.
Dostępność wybranych części zostanie automatycznie sprawdzona po dodaniu ich do koszyka.
Lp.

Nazwa i numer części

Cena za szt.

1  .

HUB,REAR (BLUE) 64110-43B00-19F

605.25 PLN

Sugerowana ilość:
2  .

.BOLT 09119-10045-XC0

17.06 PLN

Sugerowana ilość:
3  .

WASHER 09164-20002

19.61 PLN

Sugerowana ilość:
4  .

NUT 09141-20002-000

26.53 PLN

Sugerowana ilość:
5  .

COTTER PIN 04111-4040A-000

7.65 PLN

Sugerowana ilość:
6  .

RIM,REAR WHEEL 65310-43B00

7  .

WASHER,WHEEL SET 08322-01107-000

9.10 PLN

Sugerowana ilość:
8  .

NUT 09159-10115-000

16.57 PLN

Sugerowana ilość:
9  .

DISC,REAR BRAKE 69211-43B00

3506.67 PLN

Sugerowana ilość:
10  .

BOLT 09103-08147

21.43 PLN

Sugerowana ilość:
11  .

CIRCLIP 69729-43B00

48.13 PLN

Sugerowana ilość:
12  .

BRACKET,CALIPER 69720-43B00

577.39 PLN

Sugerowana ilość:
13  .

FLANGE,DISC 64212-43B00

489.97 PLN

Sugerowana ilość:
14  .

AXLE,REAR 64710-43B00

15  .

HOUSING 64715-43B00

751.47 PLN

Sugerowana ilość:
16  .

BOLT,REAR RH 09103-10076

45.65 PLN

Sugerowana ilość:
17  .

BOLT,REAR LH 09103-12026

35.82 PLN

Sugerowana ilość:
18  .

BOLT,FRONT RH 09103-10122

44.07 PLN

Sugerowana ilość:
19  .

BOLT,FRONT LH 09103-12025

20  .

NUT,LH 08319-3112A-000

19.61 PLN

Sugerowana ilość:
21  .

NUT,RH 08319-31107

14.50 PLN

Sugerowana ilość:
22  .

BEARING 08123-60107

284.87 PLN

Sugerowana ilość:
23  .

DUST SEAL 09283-60007

148.29 PLN

Sugerowana ilość:
24  .

SPACER 64731-43B00

193.87 PLN

Sugerowana ilość:
25  .

NUT,AXLE 64870-43B00

248.39 PLN

Sugerowana ilość:
26  .

SPROCKET,REAR (NT:38) 64511-24501

287.97 PLN

Sugerowana ilość:
26  .

SPROCKET,REAR (NT:39) 64511-43B30

404.63 PLN

Sugerowana ilość:
27  .

FLANGE 64611-43B00

514.50 PLN

Sugerowana ilość:
28  .

BOLT 09103-10354-000

29.80 PLN

Sugerowana ilość:
29  .

WASHER 09164-10008

9.10 PLN

Sugerowana ilość:
30  .

PLATE,CHAIN ADJUSTER 61421-01C01

243.40 PLN

Sugerowana ilość:
31  .

WASHER,FRONT 64718-43B00

31.56 PLN

Sugerowana ilość:
32  .

WASHER,REAR 64719-43B00

29.43 PLN

Sugerowana ilość:
33  .

STUD BOLT,ADJUSTER 09108-08209-XC0

29.68 PLN

Sugerowana ilość:
34  .

NUT 08310-00087-000

9.10 PLN

Sugerowana ilość:
35  .

BOOT 61425-43B00

29.68 PLN

Sugerowana ilość:
36  .

TIRE,T/L REAR (AT20X11-10) 65100-43B71

37  .

VALVE 43130-75150

38  .

GAUGE ASSY,AIR PRESSURE 96200-18900

042 - REAR WHEEL

Masz pytania

Przejdź do kontaktu lub zobacz odpowiedzi na najczęściej zadawane pytania.

Kontakt

Skontaktuj się z nami

FAQ

Najczęściej zadawane pytania

Odpowiedzią na potrzeby zdrowotne pracowników Moto46 sp.z o.o. jest udział Spółki w projekcie RPZP.06.08.00: Wdrożenie kompleksowych programów zdrowotnych zapobiegającym istotnym problemom zdrowotnym regionu oraz dotyczących chorób negatywnie wpływających na rynek pracy, ułatwiających powroty do pracy, umożliwiających wydłużenie aktywności zawodowej oraz zwiększenie zgłaszalności na badania profilaktyczne.

Celem projektu jest wdrożenie programu eliminowania zdrowotnych czynników ryzyka w miejscu pracy, poprzez dostosowanie stanowisk pracy w bardziej ergonomiczny sprzęt.

Modernizacja i dostosowanie stanowisk pracy pozwolą na zredukowanie czynników mogących powodować u pracowników dolegliwości zdrowotne związane z układem kostno-mięśniowym, oddechowym, nerwowym, krwionośnym oraz z narządem wzroku.

Całkowita wartość projektu: 234 151,75 PLN

Dofinansowanie projektu z UE: 199 028,98 PLN

Ładujemy nową stronę