Ta strona wykorzystuje pliki cookies

Ta strona wykorzystuje pliki cookies, które wspierają jej funkcjonalność oraz służą do monitorowania sposobu, w jaki korzystasz z naszej witryny internetowej. Aby zapewnić Ci najlepsze doświadczenie użytkownika, prosimy o włączenie określonych plików cookie w ustawieniach i kliknięcie "Akceptuj"

Niezbędne
Funkcjonalne
Statystyczne
Marketing

Pliki cookie to małe pliki tekstowe przechowywane na Twoim komputerze przez strony internetowe, które przeglądasz. Strony internetowe korzystają z plików cookie w celu ułatwienia użytkownikom sprawnej nawigacji i wykonywania określonych funkcji. Pliki cookie, które są niezbędne do prawidłowego funkcjonowania strony internetowej, nie wymagają Twojej zgody. Wszystkie inne pliki cookie wymagają zgody przed ustawieniem ich obsługi w przeglądarce. Możesz w każdej chwili zmienić decyzję na temat korzystania z plików cookie na naszej stronie dotyczącej polityki prywatności.

Wybierz markę
Skorzystaj z naszej wyszukiwarki oryginalnych części Yamaha, w kilka minut odnajdziesz potrzebne części i ceny, spróbuj i przekonaj się sam.

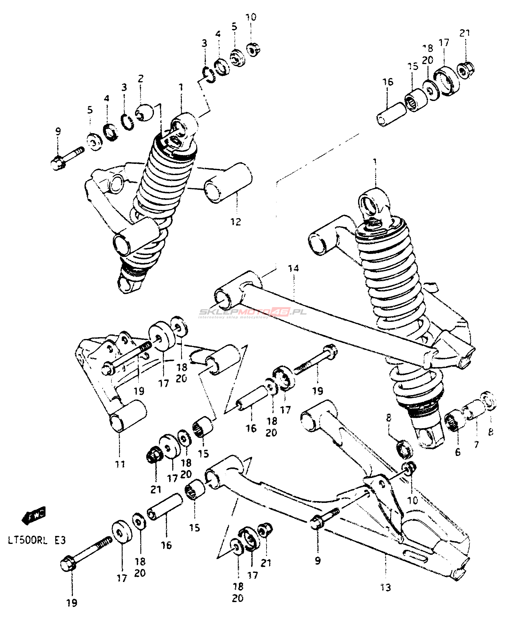
Wyszukiwarka części Suzuki LT500R L Suspension /​ Wheel /​ Brakes

Wszystkie części widoczne na fiszkach to oryginalne części OEM Suzuki.
Możesz złożyć zamówienie telefonicznie, dzwoniąc pod numer +48 512-024-444, lub poprzez nasz sklep internetowy.
Dostępność wybranych części zostanie automatycznie sprawdzona po dodaniu ich do koszyka.
Lp.

Nazwa i numer części

Cena za szt.

1  .

SHOCK ABSORBER,FRONT (YELLOW) 52100-43B10-163

2864.09 PLN

Sugerowana ilość:
2  .

.BEARING,UPPER 52178-43B00

3  .

.RING,STOPPER 62277-20900

4  .

.DUST SEAL 62226-20900

46.25 PLN

Sugerowana ilość:
5  .

.SPACER,BUSH METAL 52177-43B00

53.23 PLN

Sugerowana ilość:
6  .

.BEARING,LOWER 52188-43B00

172.69 PLN

Sugerowana ilość:
7  .

.SPACER,BUSH 52187-43B00

59.48 PLN

Sugerowana ilość:
8  .

.DUST SEAL 62647-02B00

9  .

BOLT,SHOCK ABSROBER 62648-14500

23.25 PLN

Sugerowana ilość:
10  .

NUT 08319-31107

14.50 PLN

Sugerowana ilość:
11  .

ARM,SUSPENSION,LOWER RH 52410-43B10

12  .

ARM,SUSPENSION,UPPER RH 52430-43B20

13  .

ARM,SUSPENSION,LOWER LH 52420-43B10

14  .

ARM,SUSPENSION,UPPER LH 52440-43B20

15  .

BEARING,SUSPENSION ARM PIVOT 09263-17053-000

121.65 PLN

Sugerowana ilość:
16  .

SPACER,SUSPENSION ARM PIVOT 52455-43B00

95.36 PLN

Sugerowana ilość:
17  .

DUST SEAL,SUSPENSION ARM PIVOT 52454-43B01-000

62.46 PLN

Sugerowana ilość:
19  .

BOLT,SUSPENSION ARM PIVOT 09103-10247-XC0

37.99 PLN

Sugerowana ilość:
20  .

WASHER,SUSPENSION ARM PIVOT 08211-10281

10.92 PLN

Sugerowana ilość:

27A - SUSPENSION ARM (MODEL J /​ K /​ L)

Masz pytania

Przejdź do kontaktu lub zobacz odpowiedzi na najczęściej zadawane pytania.

Kontakt

Skontaktuj się z nami

FAQ

Najczęściej zadawane pytania

Odpowiedzią na potrzeby zdrowotne pracowników Moto46 sp.z o.o. jest udział Spółki w projekcie RPZP.06.08.00: Wdrożenie kompleksowych programów zdrowotnych zapobiegającym istotnym problemom zdrowotnym regionu oraz dotyczących chorób negatywnie wpływających na rynek pracy, ułatwiających powroty do pracy, umożliwiających wydłużenie aktywności zawodowej oraz zwiększenie zgłaszalności na badania profilaktyczne.

Celem projektu jest wdrożenie programu eliminowania zdrowotnych czynników ryzyka w miejscu pracy, poprzez dostosowanie stanowisk pracy w bardziej ergonomiczny sprzęt.

Modernizacja i dostosowanie stanowisk pracy pozwolą na zredukowanie czynników mogących powodować u pracowników dolegliwości zdrowotne związane z układem kostno-mięśniowym, oddechowym, nerwowym, krwionośnym oraz z narządem wzroku.

Całkowita wartość projektu: 234 151,75 PLN

Dofinansowanie projektu z UE: 199 028,98 PLN

Ładujemy nową stronę