Ta strona wykorzystuje pliki cookies

Ta strona wykorzystuje pliki cookies, które wspierają jej funkcjonalność oraz służą do monitorowania sposobu, w jaki korzystasz z naszej witryny internetowej. Aby zapewnić Ci najlepsze doświadczenie użytkownika, prosimy o włączenie określonych plików cookie w ustawieniach i kliknięcie "Akceptuj"

Niezbędne
Funkcjonalne
Statystyczne
Marketing

Pliki cookie to małe pliki tekstowe przechowywane na Twoim komputerze przez strony internetowe, które przeglądasz. Strony internetowe korzystają z plików cookie w celu ułatwienia użytkownikom sprawnej nawigacji i wykonywania określonych funkcji. Pliki cookie, które są niezbędne do prawidłowego funkcjonowania strony internetowej, nie wymagają Twojej zgody. Wszystkie inne pliki cookie wymagają zgody przed ustawieniem ich obsługi w przeglądarce. Możesz w każdej chwili zmienić decyzję na temat korzystania z plików cookie na naszej stronie dotyczącej polityki prywatności.

Wybierz markę
Skorzystaj z naszej wyszukiwarki oryginalnych części Yamaha, w kilka minut odnajdziesz potrzebne części i ceny, spróbuj i przekonaj się sam.

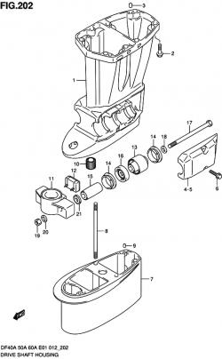
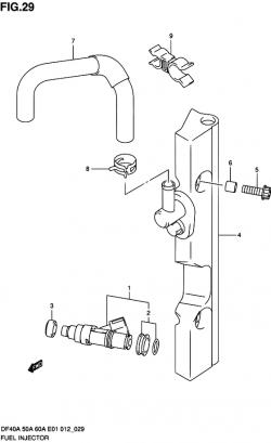
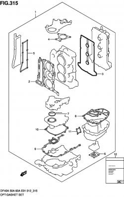
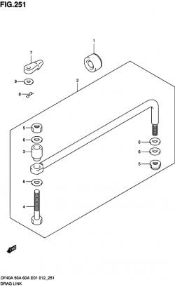
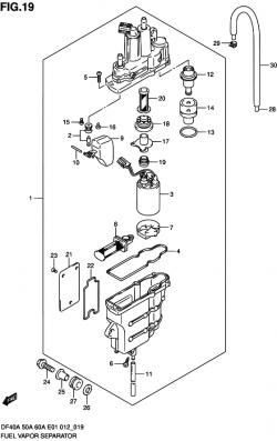
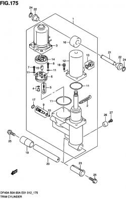
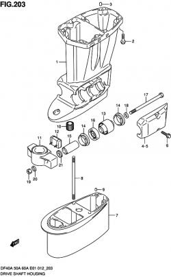
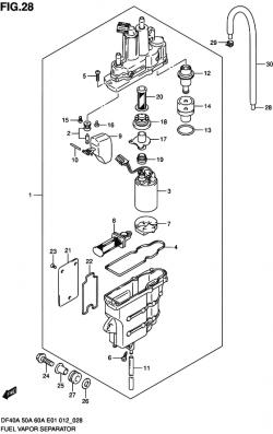
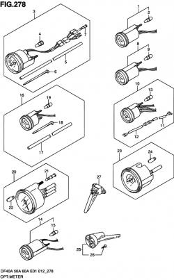
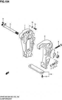
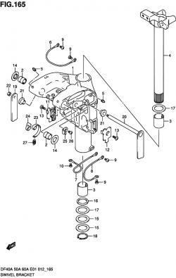
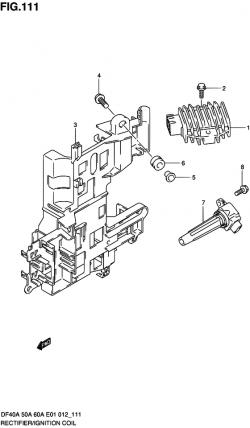
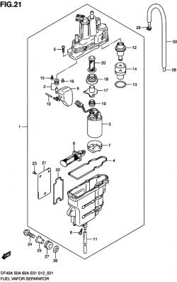
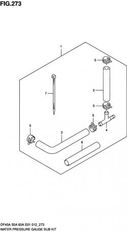
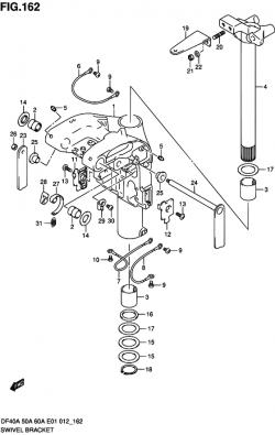
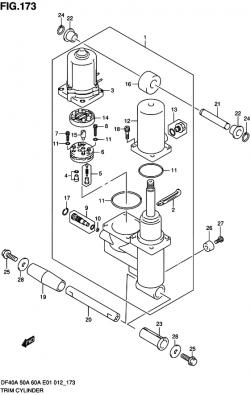
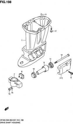
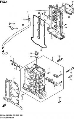
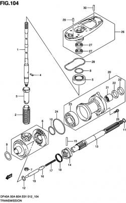
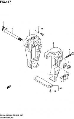
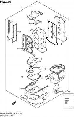
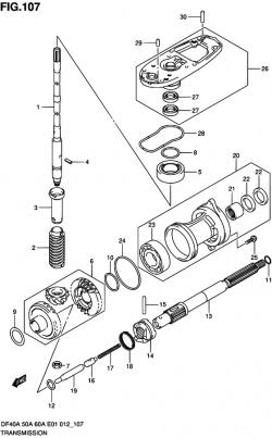
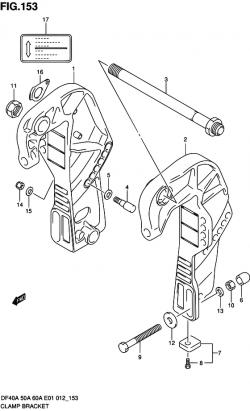
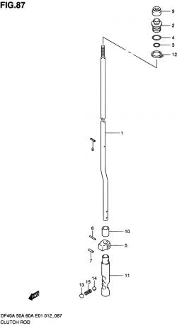
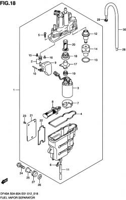
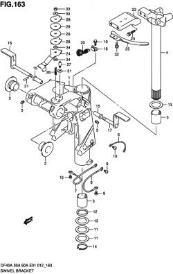
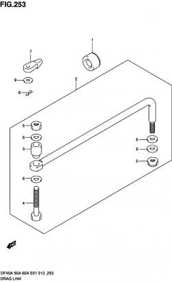
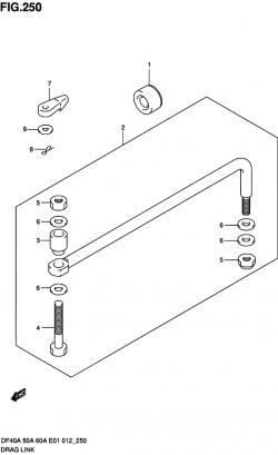
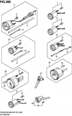
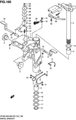
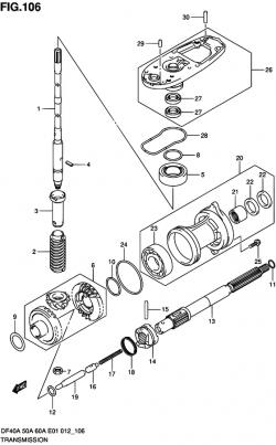
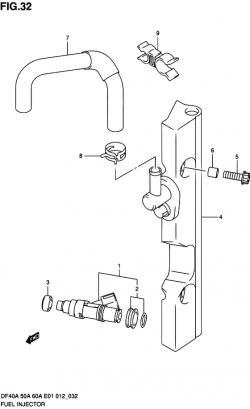
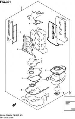
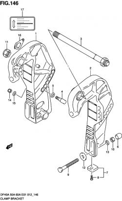
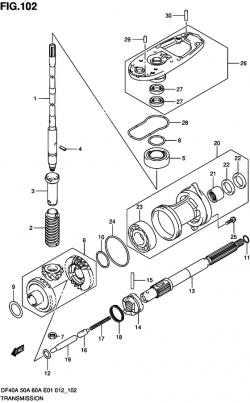
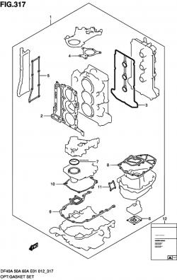
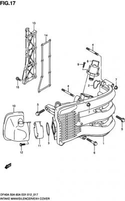
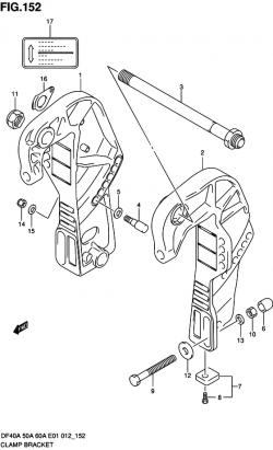
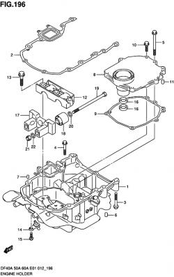
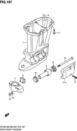
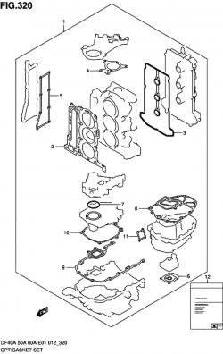
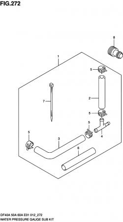
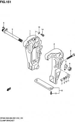
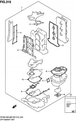
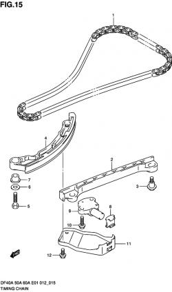
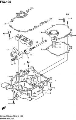
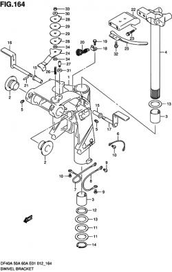
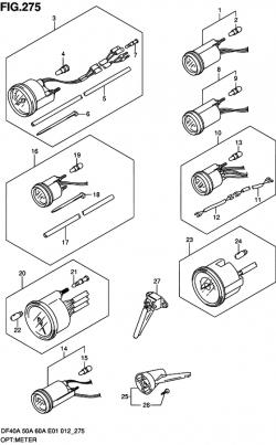
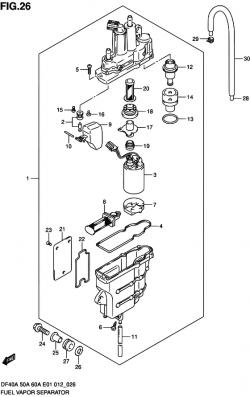
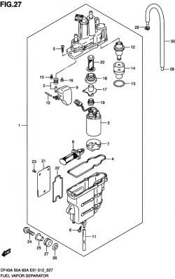
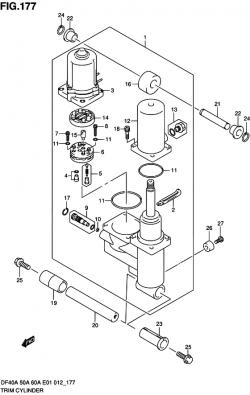
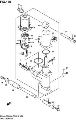
Części Suzuki DF40A QHL; TS/L Year 2012

Masz pytania

Przejdź do kontaktu lub zobacz odpowiedzi na najczęściej zadawane pytania.

Kontakt

Skontaktuj się z nami

FAQ

Najczęściej zadawane pytania

Odpowiedzią na potrzeby zdrowotne pracowników Moto46 sp.z o.o. jest udział Spółki w projekcie RPZP.06.08.00: Wdrożenie kompleksowych programów zdrowotnych zapobiegającym istotnym problemom zdrowotnym regionu oraz dotyczących chorób negatywnie wpływających na rynek pracy, ułatwiających powroty do pracy, umożliwiających wydłużenie aktywności zawodowej oraz zwiększenie zgłaszalności na badania profilaktyczne.

Celem projektu jest wdrożenie programu eliminowania zdrowotnych czynników ryzyka w miejscu pracy, poprzez dostosowanie stanowisk pracy w bardziej ergonomiczny sprzęt.

Modernizacja i dostosowanie stanowisk pracy pozwolą na zredukowanie czynników mogących powodować u pracowników dolegliwości zdrowotne związane z układem kostno-mięśniowym, oddechowym, nerwowym, krwionośnym oraz z narządem wzroku.

Całkowita wartość projektu: 234 151,75 PLN

Dofinansowanie projektu z UE: 199 028,98 PLN

Ładujemy nową stronę