Ta strona wykorzystuje pliki cookies

Ta strona wykorzystuje pliki cookies, które wspierają jej funkcjonalność oraz służą do monitorowania sposobu, w jaki korzystasz z naszej witryny internetowej. Aby zapewnić Ci najlepsze doświadczenie użytkownika, prosimy o włączenie określonych plików cookie w ustawieniach i kliknięcie "Akceptuj"

Niezbędne
Funkcjonalne
Statystyczne
Marketing

Pliki cookie to małe pliki tekstowe przechowywane na Twoim komputerze przez strony internetowe, które przeglądasz. Strony internetowe korzystają z plików cookie w celu ułatwienia użytkownikom sprawnej nawigacji i wykonywania określonych funkcji. Pliki cookie, które są niezbędne do prawidłowego funkcjonowania strony internetowej, nie wymagają Twojej zgody. Wszystkie inne pliki cookie wymagają zgody przed ustawieniem ich obsługi w przeglądarce. Możesz w każdej chwili zmienić decyzję na temat korzystania z plików cookie na naszej stronie dotyczącej polityki prywatności.

Wybierz markę
Skorzystaj z naszej wyszukiwarki oryginalnych części Yamaha, w kilka minut odnajdziesz potrzebne części i ceny, spróbuj i przekonaj się sam.

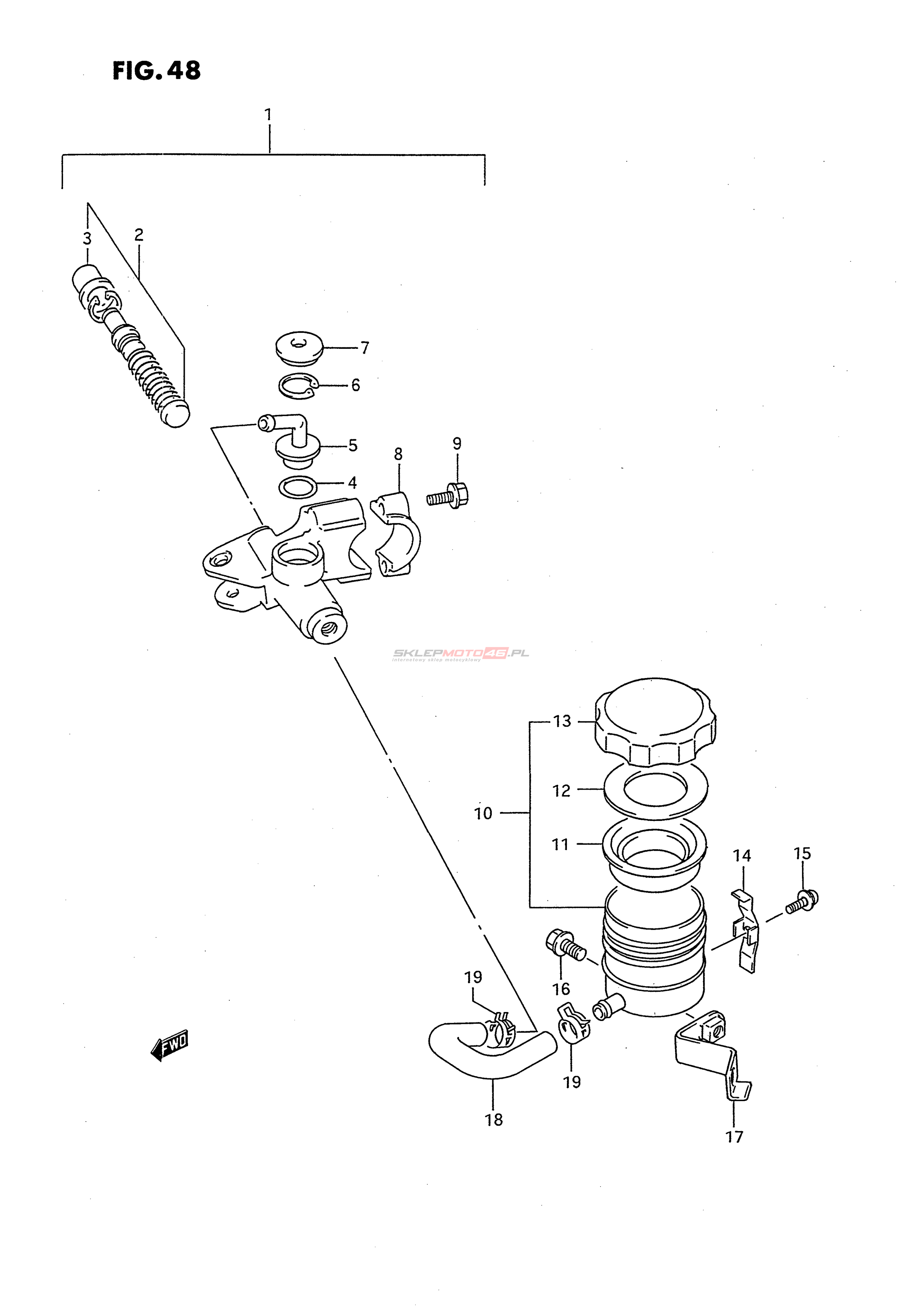
Wyszukiwarka części Suzuki GSX-R750SP R Suspension /​ Wheel /​ Brakes

Wszystkie części widoczne na fiszkach to oryginalne części OEM Suzuki.
Możesz złożyć zamówienie telefonicznie, dzwoniąc pod numer +48 512-024-444, lub poprzez nasz sklep internetowy.
Dostępność wybranych części zostanie automatycznie sprawdzona po dodaniu ich do koszyka.
Lp.

Nazwa i numer części

Cena za szt.

1  .

CYLINDER ASSY, FRONT MASTER 59600-32C01

1419.48 PLN

Sugerowana ilość:
2  .

.PISTON/CUP SET 59600-45860

243.40 PLN

Sugerowana ilość:
3  .

..BOOT 59666-44300

30.90 PLN

Sugerowana ilość:
4  .

.O RING 69686-34200

22.88 PLN

Sugerowana ilość:
5  .

.CONNECTOR 59672-17C00

41.94 PLN

Sugerowana ilość:
6  .

.CIRCLIP 69674-00B20

22.15 PLN

Sugerowana ilość:
7  .

.COVER, DUST 59673-17C00

38.90 PLN

Sugerowana ilość:
8  .

.HOLDER 59800-32F02-000

1816.94 PLN

Sugerowana ilość:
9  .

.BOLT 59675-19C00

21.80 PLN

Sugerowana ilość:
10  .

TANK ASSY, RESERVOIR 59740-07D00

323.54 PLN

Sugerowana ilość:
11  .

.DIAPHRAGM 59667-18441

46.25 PLN

Sugerowana ilość:
12  .

.PLATE 59668-18441

23.25 PLN

Sugerowana ilość:
13  .

.CAP 59669-07D00

75.20 PLN

Sugerowana ilość:
14  .

PLATE, TANK CAP 59743-17C00

41.94 PLN

Sugerowana ilość:
15  .

SCREW 02112-7412A-000

9.10 PLN

Sugerowana ilość:
16  .

BOLT 01550-0612B-000

13.53 PLN

Sugerowana ilość:
17  .

BRACKET, TANK 59750-17E00

18  .

HOSE, TANK 59731-17E00

113.50 PLN

Sugerowana ilość:
19  .

CLAMP, HOSE 59735-17C00

26.53 PLN

Sugerowana ilość:

048 - FRONT MASTER CYLINDER

Masz pytania

Przejdź do kontaktu lub zobacz odpowiedzi na najczęściej zadawane pytania.

Kontakt

Skontaktuj się z nami

FAQ

Najczęściej zadawane pytania

Odpowiedzią na potrzeby zdrowotne pracowników Moto46 sp.z o.o. jest udział Spółki w projekcie RPZP.06.08.00: Wdrożenie kompleksowych programów zdrowotnych zapobiegającym istotnym problemom zdrowotnym regionu oraz dotyczących chorób negatywnie wpływających na rynek pracy, ułatwiających powroty do pracy, umożliwiających wydłużenie aktywności zawodowej oraz zwiększenie zgłaszalności na badania profilaktyczne.

Celem projektu jest wdrożenie programu eliminowania zdrowotnych czynników ryzyka w miejscu pracy, poprzez dostosowanie stanowisk pracy w bardziej ergonomiczny sprzęt.

Modernizacja i dostosowanie stanowisk pracy pozwolą na zredukowanie czynników mogących powodować u pracowników dolegliwości zdrowotne związane z układem kostno-mięśniowym, oddechowym, nerwowym, krwionośnym oraz z narządem wzroku.

Całkowita wartość projektu: 234 151,75 PLN

Dofinansowanie projektu z UE: 199 028,98 PLN

Ładujemy nową stronę